DIY Eurorack机箱
最近给自己挖了个坑,做了一个 Eurorack机箱 。
起因是,我想用19寸机柜的零件,优化一下我家 无线电壁橱 的运维方案。它里边宽度是456mm,和标准19寸机架(482.6mm)很接近,可惜还是小了。但是正好可以做成“子机架”(SubRack),就是工控插箱。不带“耳朵”的插箱箱体,尺寸通常都小于450mm。

在研究插箱系统期间,偶然发现了一种木头盒子机架,有数不清的旋钮,密密麻麻的飞线,好酷啊!
这玩意儿就是Eurorack,模块化电子合成器平台。[1]

Eruorack是一种音乐电子合成器的模块化规范。1995年由德国人 Doepfer Musikelektronik 定义,并且发布了他的产品家族A-100。今天Eurorack已经发展成了世界上最流行的电子合成器模块化系统,据说有15000多个模块,1000多个制造商,包括Roland在内的厂家和个人都在制作Eurorack标准的模块。
这些 模块通过 改 变音频信号的 电 压 、电流、频率 、相 位 ,制造出稀奇古怪的声音。 最 基础的几个 模 块 是 电压控制、频率调制、 噪声源、滤波器、放大器、衰减器......这跟无线电很像啊, 声波电波它都是波 。
作为一个无线电老中医,我发现这些音频玩具贵的有点离谱。 一个3U84TE(84个安装孔位)、19寸木头插箱的价格,能买个车 台了 …… 我研究了Doepfer网站上的Eurorack规范,它的机械结构跟什么 CPCI、VPX、VME、PXIe、ATCA插箱模块完全兼容 。 这些机箱的零件已经是白菜价了。
唉,不怪玩音乐的败家,只能怪电子音乐领域,供应链完全依靠老外。 谁让这个文化是人家创造的呢? 于是我一气之下自己做了一个。
下边就是做好的样子,帅不帅? 可以完美塞进中国空间站的独立载荷机架!

DIY要点:选对横梁
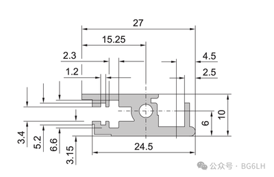
我做的是单排的箱子,3U的模块高度。下图是 Doepfer 网站上的标准机箱,双排6U,但是每一排也是3U模块的高度。关键 零件是固定模块的横梁,关键信息就是横梁安装打孔的位置。

买横梁避坑指南
第一个坑是:不同供应商的横梁尺寸略有不同。 我是按照 “威图(Rittal)” 规范画的机箱,如果用其他品牌的横梁,以后的模块面板不一定能装的顺溜。
淘宝上比较常见的品牌还有艺玛(Elma)和Schroff。无论是谁,装好的箱子对第三方模块都是兼容的。
下边是威图的 “前横梁-带小嘴唇” CAD图纸,来自Pixus网站上的公开手册。Pixus曾经是威图的子公司。[2]

它长这个样子:

所谓带小嘴唇,就是 上边略多出来一点的边, 用来收容 模块 面板 的。 还有一种更长的“大嘴唇”,很有气势, 那部分是 用来 固定面板 助 拔器的 ,对于Eurorack来说没必要。
第二个坑是螺母条 。 它插在横梁里, 用来拧面板螺丝。工控机箱的面板 螺丝大部分是M2.5, 但Eurorack用的是M3。 我最终选了M2.5,因为我是无线电老中医,我相信供应链的力量。

总结一下
- 横梁和螺母条 长:431.5mm
- 螺母条高6mm,厚2mm,孔距5.08mm,孔径M2.5/M3自选
拼板木箱
我选了9mm的手工板(hobby board)做了个拼插木箱。这个厚度可以把总尺寸控制在449.8x149.9x150mm,既能塞进我的壁橱,也能塞进中国空间站的独立载荷机架。[3]
中国空间站上的独立载荷机架,可以安装标准载荷单元(SPU)、标准抽屉单元(SDU)等标准模块的组合。规格要求是:
- SPU: 460.0mm×273.0mm×545.0mm,<32.5kg
- SDU: 482.6mm×173.4mm×684.2mm,<16kg
中国空间站上还有6个科学方向的12组机架,和4组跨科学方向的共用机架。这些机架对载荷模块规格另有要求。
我用CAD画了一个拼插箱图纸,送到马云家用激光切割出来。 用 木工胶少许粘好,用伞绳绑紧,放阴凉处晾制一宿……第二天,装了个从NI仪表箱上拆下来的挡板,完美贴合!

机箱图纸我开源了,文末有下载地址。[4] 要不要来一个?把dwg文件丢给卖家就好。
算算账
| 项目 | 价格 |
|---|---|
| 9mm椴木手工板,带激光切割 | ¥90 |
| 两根“前横梁-带小嘴唇” | ¥30 |
| 两根螺母条 | ¥6 |
| 运费 | ¥12 |
| 总成本 | ¥138 |
体验Eurorack的捷径
如果你对电子音乐世界充满了好奇,但是对制作Eurorack模块又没有足够耐心。那老中医这里有一款软件适合你:虚拟Eurorack模块化系统,VCV Rack2。

这软件界面完全“拟物”地模仿了Eurorack,连飞线都没放过。 还是免费开源的 ![5]
它其实是一个生态平台,任何人都可以写一个合成音乐的模块,“安装”在自己的架子上。平台上已经有了3454个有趣的模块,能让你迅速体会到玩Eurorack的乐趣。这也从侧面证明了Eurorack对音乐世界的影响力。
如果你愿意投入一点时间,去理解电压、电流、频率、相位如何改变了声音,VCV Rack真的可以帮到你。
合着说了这么热闹, 做完了箱子 ,就改玩软的了?!
我的Radiorack野望
其实我对DIY 电子音乐合成器兴趣不是特别大。 第一眼看到Eurorack时,我 想 的是,这玩意儿要是用在业余无线电上,香不香?
一个木头架子上,依次排开:电源模块、驻波检测、天调、音频放大电路、可更换的低通滤波器、CW键控器、QRP功放……然后接上这些年我做过的各种套件,D4D、13T、皮鞋、月季、玫瑰、牛牛、usdx、丢丢机……光想想就睡不着了。
这是一个Radiorack啊!
万事开头难,要相信光的力量。下个项目,先做个电源模块吧。
原文发表于我的微信公众号 BG6LH - DIY Eurorack机箱
