QRP野战太阳能电源设计
我给FT-818配置了一套野战用的太阳能浮充电源系统:
- 一个4AH胶体铅酸蓄电池给电台供电
- 一个27W太阳能电池折叠包,给蓄电池浮充补电;
- 一个数字伏安表,做太阳能电池的充电监测。
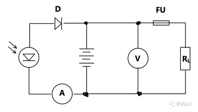
以下是整个系统的设计图:

- 太阳能支路上增加了一个防返流的二极管;
- 电流表也在这里,监测着向蓄电池充电时的电流;
- 负载支路上增加了一个5A的保险丝,以保护电台。
- 电压表在监测整个系统的电压。
FT-818对电源的要求
我最初的设想是,一套 简单、便宜、安全 的电源,应付野外工作一个白天,别太沉。所以首先要确定FT-818对电源的要求。
FT-818英文版的手册上讲的很清楚:
- 电压13.8V正负15%,可以工作在8V~16V的电压上;
- 接收电流:450mA,静噪启动后大约250mA;
- 发射电流:HF和VHF是2.4A,UHF是2.7A。
FT-818是6W的机器,比FT-817大了20%呢!所以FT-817对电源的要求要稍微低一点。

12V/4AH胶体蓄电池

- 胶体蓄电池优点是:充电时不需要稳定的电压和电流,放电时却可以持续稳定放电。缺点是重,4AH这个重达1.3kg。
- 4AH的电池大约可以满足FT-818持续发射2个小时不到。即便是玩数字模式,占空比将近50%,也能持续玩3小时以上。
- 一定要买不间断电源用的那种蓄电池,千万别买汽车用的启动电池。启动电池放电电流好几百安培。
- 我买的胶体蓄电池,最大充放电特性是180瓦/5分钟,也就是可以干5分钟15A的大电流。安全起见,各支路上安装了5A的保险丝。
- 胶体蓄电池充电电流在0.1C之内都不用担心过充。C表示蓄电池容量,4AH的0.1C就是400mA。如果充电电流最大不超过这个,那就算是安全的了。实际效果,充电电流最大看到过450mA,尚可。
12V/27W的太阳能电池板

- 淘的某厂家半成品,100元上下
- 12V输出,开路电压标是18-20V
- 单晶硅材料, 转化效率 17 ~18%
- 标称最大功率 27W(转化后)
- 工作温度-17°到48°,自重1.5kg
简单说下太阳能电池的特性:
- 当太阳能电池没挂负载时,两极的电压是最大的,这是它的 开路电压
- 当负载的电流逐渐增大,太阳能电池的电压会下降,直到降到0
- 如果太阳能电池板短路了,那么两极之间就没有电压了,这个最大的负载电流就是太阳能电池的 短路电流
有兴趣的可以读一下文末推荐的TI的一篇文章,它设计了一个太阳能的锂电池充电器,同时还介绍了太阳能电池的等效电路、伏安特性。
这个标称2 7W太阳能电池,它的最大电流应该可以干到2A上下,2A充那个4AH的电池还是有点玄乎的,所以还要做一个伏安表监测。如果电流太大,把太阳能板遮一下就好了。实际 跟FT-818和蓄电池一起 实验,在HF波段,太阳能支路的电流还没有超过500mA的情况。
太阳能充电系统一般都要设计一个最大功率跟踪电路,就是充电管理模块,以保证输出一个稳定的电流和电压。但我没有搞这个模块。因为胶体蓄电池本来就有比较耐折腾,直接冲就好了。
为什么不选锂电池
锂电池轻便,但是贵,而且还需要而外的充电管理模块,浮充的时候是否有干扰也不好保证。
数字伏安表DSN-VC288
为了让这一切显得靠谱,还是要监控一下充电的电压和电流。于是我买了DSN-VC288。网上搜“数字双显电流电压表”最便宜的那种就是它。这玩意儿满世界都是,似乎外国人玩的比国内还明白,有人都反向出来了电路图。



- 买量程100V/10A足够了。太大的还得接分流器,影响QRP系统的便携性和精确性。
- 接线图就不再啰嗦了,注意,买的版本不同,接线方式也有不同。
- 这个表有校准的螺丝。但我没有校准。
安全用电
整个系统工作的最大电流是蓄电池的短路电流,能高达15A以上。所以:
- 各处要防止意外短路,加入至少5A的保险丝。
- 电源线耐流也要高。我选的是AWG12#的硅胶线,15A的。
此外,当太阳光照不足的时候,还要防止蓄电池给反向给太阳能电池“充电”。 所以我给太阳能支路加了一个防返流二极管: 1N5824,5A/30V整流二极管。 图省事,安装在伏安表的盒子里了。

3D打印的安德森4路电源分配器
我一直在用Anderson PP15-45系列的插头,安全方便。所以我设计了一个3D打印的安德森4路电源分配器,有兴趣的可以去thingiverse.com上,下载我设计的打印文件。文末有下载地址。

实际使用效果
刚刚的7月底8月初,我在北戴河(OM99pp)呆了一个星期,做了三天的通联实验。用的设备是FT-818、小环天线、Pac12天线,最大发射功率6瓦,FT8模式,发射占空比比较高,但不是持续在玩。
第一次实验:
- 7月30日,晴朗的下午2点,太阳能板开路电压20V+;
- 接蓄电池和FT-818以后,伏安表显示,充电电压维持在13V上下,电流150-220mA之间;
- 一直能坚持到下午四点多,电流还是100mA以上。


第二次实验:
- 8月3日星期六,早上在海边用FT-818和Pac12天线,玩了一个半小时的FT8。没有带太阳能,全靠蓄电池。发射频率比较高,电池电压下降到11V左右。
- 下午两点多接上太阳能充电,边充边玩,此后一直接收到6点半左右,没太阳了,伏安表显示电压降到了7.5V,FT-818显示7.2V。
- 晚上用充电器给蓄电池充满电。



第三次实验:
- 8月4日,一个多云的阴天,太阳能开路电压18V+;
- 头天晚上把电池充满了,上午接上太阳能电池和FT-818,无论是发射还是接收,整体电压维持在13V以上,电流在300~400mA上下。
- 下午四五点以后没有足够的光照,断开太阳能。持续接收,零星发射。
- 到晚上10点收摊儿,伏安表和电台的电压显示是11.8V。
(这次忘了拍照了……)
最后的总结
- 玩半天到一个白天,有太阳能同时在浮充补电,这套系统还是足够的。
- 如果想坚持一个高强度的周末比赛,这套系统的容量似乎还是有点小了。
- 如果电池是满电状态,有太阳能浮充补电,可以玩的时间更长。 但 是到了晚上一定要用充电器充满电。 27W太阳能电池 浮充, 只能多维持 一会 儿电量,并不能边 玩边把电池充满。
- 27W的太阳能电池板1.5kg,4AH的蓄电池1.3kg,FT-818 0.9kg,这套系统加一起不低于3.7kg,已经很重了。
- 目前的实验都是夏天,冬天什么样还是未知。
- 还有一些有趣的现象,第一次实验发现发射时表灭了,以为是压降太大,表不工作了。第三次实验发现发射时伏安表偶尔会显示16V电压,电流还正常。分析最大的可能还是发射时的射频干扰影响了伏安表。
参考文档
原文发表于我的微信公众号 BG6LH - QRP野战太阳能电源设计
